| штат: | |
|---|---|
| Количество: | |
Эта серия интеллектуальных электрических приводов клапанов обеспечивает надежный выходной крутящий момент от 50 до 1000 Н·м, с несколькими режимами управления и гибкими конфигурациями мощности, что делает ее идеальным выбором для корпоративных покупателей в области промышленной автоматизации, управления клапанами и регулирования технологических процессов. Благодаря интегрированному компактному дизайну и степени защиты IP67 он адаптируется к сложным и суровым условиям на объекте, решая основные проблемы, такие как низкая точность управления, высокие затраты на техническое обслуживание и плохая совместимость для промышленных пользователей.

Привод имеет встроенный литой корпус из алюминиевого сплава, асинхронный двигатель H-класса, высокоточные шестерни из сплава с многократной термообработкой и высокопрочную червячную передачу из медного сплава. Эта прочная конструкция обеспечивает длительный срок службы, минимальный износ и стабильную работу, что значительно сокращает время незапланированных простоев и затраты на техническое обслуживание для крупных бизнес-пользователей. Конструкция червячной передачи с функцией самоблокировки обеспечивает дополнительный уровень безопасности, предотвращая смещение положения во время перебоев в подаче электроэнергии и предотвращая несчастные случаи на производстве.
Этот электропривод с высоким крутящим моментом поддерживает полный спектр источников питания, включая переменный ток 220 В, переменный ток 380 В, постоянный ток 24 В, постоянный ток 220 В, с настраиваемыми специальными напряжениями для уникальных потребностей проекта. Он совместим с сигналами переключения, сигналами тока 4–20 мА и сигналами напряжения 0–10 В постоянного тока, легко интегрируясь с большинством промышленных систем управления. Это устраняет необходимость в дополнительном конверсионном оборудовании, снижает затраты на закупки и упрощает развертывание на месте для системных интеграторов и EPC-подрядчиков.
Высокоинтегрированный интеллектуальный модуль управления обеспечивает цифровую настройку, цифровую настройку, самодиагностику в реальном времени и высокоточное позиционирование. Все серии оснащены электронными и механическими двойными ограничительными устройствами для предотвращения перебега и обеспечения точного управления клапаном. Эта интеллектуальная конструкция сокращает время ручного ввода в эксплуатацию, повышает точность управления процессом и поддерживает удаленный мониторинг, что идеально соответствует потребностям автоматизированных производственных линий.
Электрический привод IP67 имеет водонепроницаемую, устойчивую к ржавчине конструкцию, не требует дозаправки или регулярного осмотра и поддерживает установку на 360° под любым углом. Это значительно снижает трудозатраты на установку на месте и ежедневную нагрузку на техническое обслуживание, что делает его подходящим для крупномасштабных проектов с несколькими точками установки.
Параметр | Основная спецификация |
Стандарт исполнения | ДЖБ/Т 8219-2016 |
Диапазон выходного крутящего момента | 50–1000 Н·м |
Варианты электропитания | 220 В переменного тока, 380 В переменного тока, 24 В постоянного тока, 220 В постоянного тока (настраиваемые) |
Полное время перемещения на 90° | 9 с, 13 с, 15 с, 30 с, 50 с, 100 с (заводская настройка) |
Защитный класс | IP67 |
Рабочая температура окружающей среды | -25℃ ~ 60℃ |
Диапазон вращения | 0 ~ 90 ° |
Режимы управления | Тип ВКЛ/ВЫКЛ, регулирующий тип, неинвазивный интеллектуальный тип |
Электрический интерфейс | Водонепроницаемый кабельный разъем M18×1,5 |
Класс изоляции | Н-класс |
Электрический привод интеллектуального типа преобразует вращательную мощность асинхронного двигателя класса H в крутящий момент выходного вала на 90° посредством высокоточной системы передачи из сплава и червячного механизма из медного сплава, приводя в движение открытие, закрытие или регулирование соответствующего клапана. Встроенный интеллектуальный модуль управления получает управляющие сигналы от центральной системы управления, сравнивает их с сигналом обратной связи по положению клапана в реальном времени и точно регулирует вращение выходного вала. Двойные электронные и механические ограничительные устройства немедленно останавливают привод при достижении заданного хода, предотвращая перебег, а самоблокирующаяся конструкция червячной передачи надежно фиксирует положение клапана при отключении питания, обеспечивая стабильную и безопасную работу трубопроводной системы.
Этот промышленный электрический поворотный привод широко используется в основных отраслях бизнеса, включая: очистку воды и сточных вод (управление поворотными затворами/шаровыми кранами для трубопроводов), нефтегазовую и газовую промышленность (регулирование технологических трубопроводов), химическую обработку (управление клапанами коррозионной среды), энергетику (приведение в действие клапанов вспомогательной системы), системы отопления, вентиляции и кондиционирования воздуха и автоматизацию зданий, а также фармацевтическую и пищевую промышленность (управление клапанами санитарного класса).
Влажный нагреватель, внешний позиционер, взрывозащищенный корпус, модуль дистанционного управления, блок обратной связи
Мы предоставляем полные индивидуальные решения для оптовых бизнес-заказов, включая индивидуальное напряжение, крутящий момент и время в пути, маркировку под собственным брендом, индивидуальную логику управления и настройку упаковки, полностью адаптируясь к вашему проекту и требованиям бренда.
Наши приводы поддерживают сигналы переключения, сигналы тока 4–20 мА и сигналы напряжения 0–10 В постоянного тока, удовлетворяя подавляющее большинство требований систем управления промышленными процессами, представленных на рынке.
Да, вся серия поддерживает установку под произвольным углом 360°, имеет водонепроницаемую и устойчивую к ржавчине конструкцию IP67. Он не требует дозаправки или регулярного осмотра, что позволяет адаптировать его к сложным и ограниченным условиям установки на месте.
Абсолютно. Мы предоставляем индивидуальные решения для специального напряжения, крутящего момента, времени перемещения и логики управления, а также комплексные услуги OEM/ODM для оптовых бизнес-заказов, чтобы удовлетворить ваши уникальные потребности проекта.
Эта серия интеллектуальных электрических приводов клапанов обеспечивает надежный выходной крутящий момент от 50 до 1000 Н·м, с несколькими режимами управления и гибкими конфигурациями мощности, что делает ее идеальным выбором для корпоративных покупателей в области промышленной автоматизации, управления клапанами и регулирования технологических процессов. Благодаря интегрированному компактному дизайну и степени защиты IP67 он адаптируется к сложным и суровым условиям на объекте, решая основные проблемы, такие как низкая точность управления, высокие затраты на техническое обслуживание и плохая совместимость для промышленных пользователей.

Привод имеет встроенный литой корпус из алюминиевого сплава, асинхронный двигатель H-класса, высокоточные шестерни из сплава с многократной термообработкой и высокопрочную червячную передачу из медного сплава. Эта прочная конструкция обеспечивает длительный срок службы, минимальный износ и стабильную работу, что значительно сокращает время незапланированных простоев и затраты на техническое обслуживание для крупных бизнес-пользователей. Конструкция червячной передачи с функцией самоблокировки обеспечивает дополнительный уровень безопасности, предотвращая смещение положения во время перебоев в подаче электроэнергии и предотвращая несчастные случаи на производстве.
Этот электропривод с высоким крутящим моментом поддерживает полный спектр источников питания, включая переменный ток 220 В, переменный ток 380 В, постоянный ток 24 В, постоянный ток 220 В, с настраиваемыми специальными напряжениями для уникальных потребностей проекта. Он совместим с сигналами переключения, сигналами тока 4–20 мА и сигналами напряжения 0–10 В постоянного тока, легко интегрируясь с большинством промышленных систем управления. Это устраняет необходимость в дополнительном конверсионном оборудовании, снижает затраты на закупки и упрощает развертывание на месте для системных интеграторов и EPC-подрядчиков.
Высокоинтегрированный интеллектуальный модуль управления обеспечивает цифровую настройку, цифровую настройку, самодиагностику в реальном времени и высокоточное позиционирование. Все серии оснащены электронными и механическими двойными ограничительными устройствами для предотвращения перебега и обеспечения точного управления клапаном. Эта интеллектуальная конструкция сокращает время ручного ввода в эксплуатацию, повышает точность управления процессом и поддерживает удаленный мониторинг, что идеально соответствует потребностям автоматизированных производственных линий.
Электрический привод IP67 имеет водонепроницаемую, устойчивую к ржавчине конструкцию, не требует дозаправки или регулярного осмотра и поддерживает установку на 360° под любым углом. Это значительно снижает трудозатраты на установку на месте и ежедневную нагрузку на техническое обслуживание, что делает его подходящим для крупномасштабных проектов с несколькими точками установки.
Параметр | Основная спецификация |
Стандарт исполнения | ДЖБ/Т 8219-2016 |
Диапазон выходного крутящего момента | 50–1000 Н·м |
Варианты электропитания | 220 В переменного тока, 380 В переменного тока, 24 В постоянного тока, 220 В постоянного тока (настраиваемые) |
Полное время перемещения на 90° | 9 с, 13 с, 15 с, 30 с, 50 с, 100 с (заводская настройка) |
Защитный класс | IP67 |
Рабочая температура окружающей среды | -25℃ ~ 60℃ |
Диапазон вращения | 0 ~ 90 ° |
Режимы управления | Тип ВКЛ/ВЫКЛ, регулирующий тип, неинвазивный интеллектуальный тип |
Электрический интерфейс | Водонепроницаемый кабельный разъем M18×1,5 |
Класс изоляции | Н-класс |
Электрический привод интеллектуального типа преобразует вращательную мощность асинхронного двигателя класса H в крутящий момент выходного вала на 90° посредством высокоточной системы передачи из сплава и червячного механизма из медного сплава, приводя в движение открытие, закрытие или регулирование соответствующего клапана. Встроенный интеллектуальный модуль управления получает управляющие сигналы от центральной системы управления, сравнивает их с сигналом обратной связи по положению клапана в реальном времени и точно регулирует вращение выходного вала. Двойные электронные и механические ограничительные устройства немедленно останавливают привод при достижении заданного хода, предотвращая перебег, а самоблокирующаяся конструкция червячной передачи надежно фиксирует положение клапана при отключении питания, обеспечивая стабильную и безопасную работу трубопроводной системы.
Этот промышленный электрический поворотный привод широко используется в основных отраслях бизнеса, включая: очистку воды и сточных вод (управление поворотными затворами/шаровыми кранами для трубопроводов), нефтегазовую и газовую промышленность (регулирование технологических трубопроводов), химическую обработку (управление клапанами коррозионной среды), энергетику (приведение в действие клапанов вспомогательной системы), системы отопления, вентиляции и кондиционирования воздуха и автоматизацию зданий, а также фармацевтическую и пищевую промышленность (управление клапанами санитарного класса).
Влажный нагреватель, внешний позиционер, взрывозащищенный корпус, модуль дистанционного управления, блок обратной связи
Мы предоставляем полные индивидуальные решения для оптовых бизнес-заказов, включая индивидуальное напряжение, крутящий момент и время в пути, маркировку под собственным брендом, индивидуальную логику управления и настройку упаковки, полностью адаптируясь к вашему проекту и требованиям бренда.
Наши приводы поддерживают сигналы переключения, сигналы тока 4–20 мА и сигналы напряжения 0–10 В постоянного тока, удовлетворяя подавляющее большинство требований систем управления промышленными процессами, представленных на рынке.
Да, вся серия поддерживает установку под произвольным углом 360°, имеет водонепроницаемую и устойчивую к ржавчине конструкцию IP67. Он не требует дозаправки или регулярного осмотра, что позволяет адаптировать его к сложным и ограниченным условиям установки на месте.
Абсолютно. Мы предоставляем индивидуальные решения для специального напряжения, крутящего момента, времени перемещения и логики управления, а также комплексные услуги OEM/ODM для оптовых бизнес-заказов, чтобы удовлетворить ваши уникальные потребности проекта.
Описание
• Стандарт выполнения: JB/T 8219-2016 (обычные и интеллектуальные электрические приводы для систем управления промышленными процессами);
• Типы функций: тип открытия сигнала R, пассивный включение/выключение типа BS, регулирование типа A, неинвазивный интеллектуальный тип, 2t, 2k;
• изысканный и долговечный:
① Коробка изготовлена из интегральной алюминиевой сплавы, с изысканным внешним видом и компактной структурой;
Asynchronous Motor, класс-класс, со стабильной производительности и сильной мощностью;
③ Высокие сплавные шестерни, множественные процессы термической обработки, хорошая устойчивость к износу;
④ Высокая прочность на медную сплавную червя, с высокой прочностью и хорошей стойкостью к износу;
⑤integred Design of Yout Wans, устранение зазора адаптера, высокой точности и хорошей прочности.
• Богатая конфигурация: может использовать AC220V, AC 380V источник питания переменного тока, DC 24V, DC 220V DC, можно настроить специальное напряжение;
• Легко в использовании: без заправки, без проверки, водонепроницаемой и ржавчины, можно установить под любым углом;
• Защитное устройство: все продукты в серии оснащены электронными и механическими двумя предельными устройствами для предотвращения перерыва;
• Приняв структуру червяки с функцией самозаполнения, она безопасна и надежна;
• Режим управления: сигнал переключения, сигнал тока 4-20 мА, сигнал напряжения 0-10VDC может быть выбран в качестве сигнала управления для серии KST Smart Type Electric Actuater соответствует различным требованиям управления на месте;
• Диапазон крутящего момента: 50--1000n. м;
• Многочисленные скорости: полное время в пути 9 секунд, 13 секунд, 15 секунд, 30 секунд, 50 секунд, 100 секунд (установлено перед тем, как покинуть фабрику);
• Интеллектуальный ЧПУ: интеллектуальный модуль управления широко интегрирован в корпус электрического устройства и может быть внешне подключен к локатору при необходимости. Цифровая настройка, цифровая настройка, высокая точная, самодиагностика, многофункциональная для одной машины.
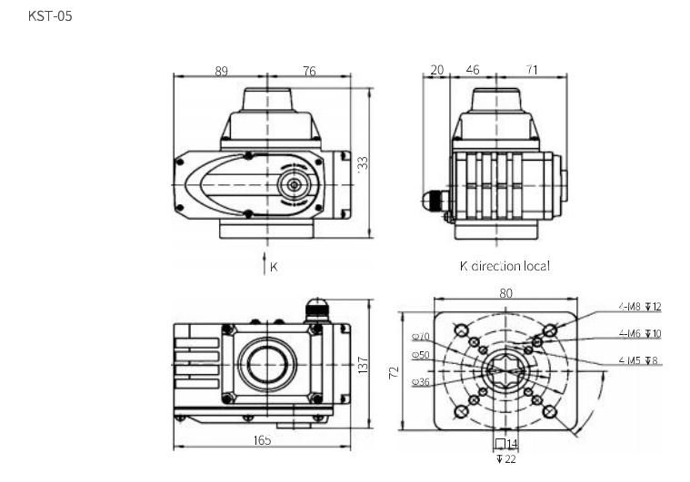
Размеры и параметры производительности

KST-05 Параметр производительности
| Модель | KST- 05 | |||||||||
| источник питания | DC24V | AC24V | AC110V | AC220V | AC380V | |||||
| выходной крутящий момент | 15 нм | 10S: 20 нм 20 с: 50 нм | ||||||||
| 90 ° Время действия | 8 с | 28 с | ||||||||
| Диапазон угла поворота | 0 ~ 90 ° | |||||||||
| Власть | 12 Вт | 10 Вт | ||||||||
| Рейтинг тока | 1,00а | 2.20A | 0,36а | 0,20а | 0,15а | |||||
| общий вес | 2,3 кг | 2,7 кг | ||||||||
| Устойчивость к изоляции | DC24V/AC24V: 100 мкв/250VAC AC110/AC220V/AC380V: 100 МОм/500VAC | |||||||||
| Уровень сопротивления напряжения | DC24V: 500VAC (1 мин), AC110/220V: 1500VAC (1 мин), AC380V: 1800VAC (1 мин) | |||||||||
| Защитный класс | IP67 | |||||||||
| Установка позиция | Установка 360 ° под любым углом | |||||||||
| Электрический интерфейс | M18x 1,5 Один водонепроницаемый разъем, один из них Powercord и один сигнальный шнур каждый | |||||||||
| Температура окружающей среды | -25 ℃ ~ 60 ℃ | |||||||||
| Цепь управления | B, s, bs, r, a, zt, zk (type) | |||||||||
| Дополнительная функция | Влажный обогреватель | |||||||||
Описание
• Стандарт выполнения: JB/T 8219-2016 (обычные и интеллектуальные электрические приводы для систем управления промышленными процессами);
• Типы функций: тип открытия сигнала R, пассивный включение/выключение типа BS, регулирование типа A, неинвазивный интеллектуальный тип, 2t, 2k;
• изысканный и долговечный:
① Коробка изготовлена из интегральной алюминиевой сплавы, с изысканным внешним видом и компактной структурой;
Asynchronous Motor, класс-класс, со стабильной производительности и сильной мощностью;
③ Высокие сплавные шестерни, множественные процессы термической обработки, хорошая устойчивость к износу;
④ Высокая прочность на медную сплавную червя, с высокой прочностью и хорошей стойкостью к износу;
⑤integred Design of Yout Wans, устранение зазора адаптера, высокой точности и хорошей прочности.
• Богатая конфигурация: может использовать AC220V, AC 380V источник питания переменного тока, DC 24V, DC 220V DC, можно настроить специальное напряжение;
• Легко в использовании: без заправки, без проверки, водонепроницаемой и ржавчины, можно установить под любым углом;
• Защитное устройство: все продукты в серии оснащены электронными и механическими двумя предельными устройствами для предотвращения перерыва;
• Приняв структуру червяки с функцией самозаполнения, она безопасна и надежна;
• Режим управления: сигнал переключения, сигнал тока 4-20 мА, сигнал напряжения 0-10VDC может быть выбран в качестве сигнала управления для серии KST Smart Type Electric Actuater соответствует различным требованиям управления на месте;
• Диапазон крутящего момента: 50--1000n. м;
• Многочисленные скорости: полное время в пути 9 секунд, 13 секунд, 15 секунд, 30 секунд, 50 секунд, 100 секунд (установлено перед тем, как покинуть фабрику);
• Интеллектуальный ЧПУ: интеллектуальный модуль управления широко интегрирован в корпус электрического устройства и может быть внешне подключен к локатору при необходимости. Цифровая настройка, цифровая настройка, высокая точная, самодиагностика, многофункциональная для одной машины.
Размеры и параметры производительности

KST-05 Параметр производительности
| Модель | KST- 05 | |||||||||
| источник питания | DC24V | AC24V | AC110V | AC220V | AC380V | |||||
| выходной крутящий момент | 15 нм | 10S: 20 нм 20 с: 50 нм | ||||||||
| 90 ° Время действия | 8 с | 28 с | ||||||||
| Диапазон угла поворота | 0 ~ 90 ° | |||||||||
| Власть | 12 Вт | 10 Вт | ||||||||
| Рейтинг тока | 1,00а | 2.20A | 0,36а | 0,20а | 0,15а | |||||
| общий вес | 2,3 кг | 2,7 кг | ||||||||
| Устойчивость к изоляции | DC24V/AC24V: 100 мкв/250VAC AC110/AC220V/AC380V: 100 МОм/500VAC | |||||||||
| Уровень сопротивления напряжения | DC24V: 500VAC (1 мин), AC110/220V: 1500VAC (1 мин), AC380V: 1800VAC (1 мин) | |||||||||
| Защитный класс | IP67 | |||||||||
| Установка позиция | Установка 360 ° под любым углом | |||||||||
| Электрический интерфейс | M18x 1,5 Один водонепроницаемый разъем, один из них Powercord и один сигнальный шнур каждый | |||||||||
| Температура окружающей среды | -25 ℃ ~ 60 ℃ | |||||||||
| Цепь управления | B, s, bs, r, a, zt, zk (type) | |||||||||
| Дополнительная функция | Влажный обогреватель | |||||||||